Pompa zębata BG20 14 ST0 A T80 EE5 D00

SKU: BG20 14 ST0 A T80 EE5 D00

Pompa zębata BG20 14 ST0 A T80 EE5 D00

SKU: BG20 14 ST0 A T80 EE5 D00

Cena :

0,00 zł

(Brutto)

0,00 zł

(Netto)

Dostępny w ciągu 24h

Producent

B&C
Dystrybutor: Hektos sp. z o.o.
ul. Przemysłowa 24, 21-100 Lubartów, Polska
+48 81 307 00 08 | shop@rolltorq.com

Parametry techniczne

Objętość robocza maksymalna
14,2 cm3/obr
Maksymalne ciśnienie pracy ciągłej
250 bar
Maksymalne ciśnienie pracy przerywanej
290 bar
Natężenie przepływu przy 1000 obr/min i 0 bar
14,2 l/min
Natężenie przepływu przy 1500 obr/min i 0 bar
21,3 l/min
Minimalna prędkość obrotowa
500 obr/min
Maksymalna prędkość obrotowa
3500 obr/min
Kierunek obrotów
prawy
Zakres temperatur pracy
+20 do +60°C
Zalecana lepkość cieczy
15 do 92 cSt.
Poziom filtracji
22 μm
Masa
2,6 kg

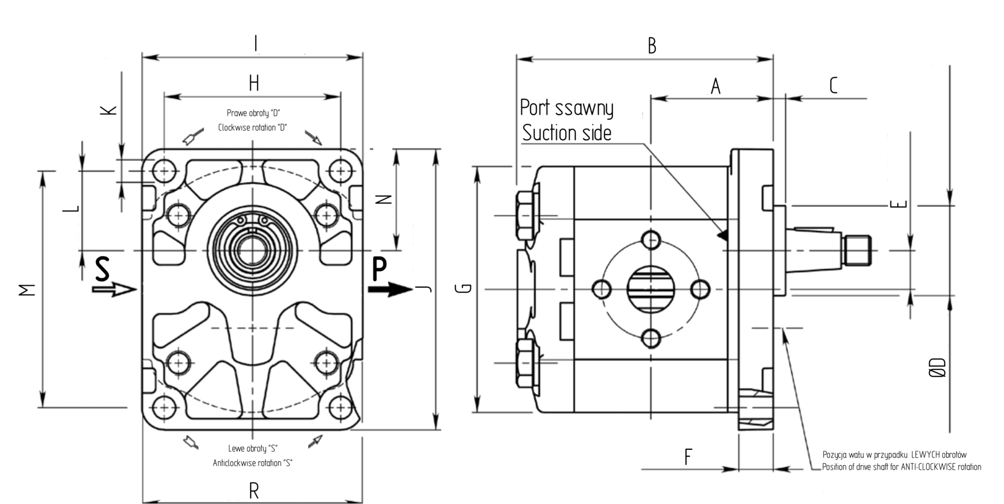
Wymiary pompy

asset_image

A mm (in) B mm (in) C mm (in) ØD mm (in) E mm (in) F mm (in) G mm (in) H mm (in) I mm (in) J mm (in)
52,2 (2.06) 109,2 (4.30) 5 (0.197) 36,5 (1.437) 15,75 (0.620) 14 (0.551) 100 (3.937) 71,5 (2.815) 89,5 (3.524) 114,2 (4.496)

 

K mm (in) L mm (in) M mm (in) N mm (in) R mm (in)
9,2 (0.362) 32,35 (1.274) 96,2 (3.787) 41,35 (1.628) 89 (3.504)

 

Wymiary wału

A mm (in) B mm (in) C mm (in) ØD mm (in) E mm (in) F mm (in) ØG mm (in) H mm (in) Impl 1
39,5 (1.555) 12 (0.472) 27,5 (1.083) 14,71 (0.579) 12 (0.472) 3,17h9 (0.125) 16,65 (0.656) 9,25 (0.364) M12x1,5

 

Maksymalny moment na wale Nm
135

Wymiary portów olejowych

D mm (in) F mm (in) M1 d mm (in) f mm (in) M2
40 (1.58) 19 (0.75) M8 g.15 (0.59) 30 (1.18) 13 (0.51) M6 g.13 (0.51)

Pliki do pobrania

bc-bg20-gear-pumps-cat-2018-en.pdf Rozmiar: 1.29 MB

Informacje o producencie

Historia firmy B&C Hydraulics sięga 1990 roku, gdy ta rozpoczęła projektowanie i produkcję hydraulicznych części zamiennych do maszyn mobilnych. B&C Hydraulics produkuje wysokiej jakości, konkurencyjne cenowo: pompy łopatkowe, pompy zębate i zawory liniowe. Po montażu każda pojedyncza jednostka jest odpowiednio testowana na specjalistycznym stanowisku badawczym. Od 1999 roku firma B&C Hydraulics posiada certyfikat ISO 9001.

Masz pytania? Potrzebujesz pomocy?
Napisz do nas lub zadzwoń!